Direktlink
  • Conrad
  • Mein Konto

    Anmelden / Registrieren

  • Einkaufswagen

  • Zum Newsletter anmelden und 10€-Gutschein sichern Zum Newsletter anmelden und 10€-Gutschein sichern
  • Service

    Services für Sie  

    Ein dunkelblauer Banner zeigt „Langzeit-Garantie“ mit einem gelben Pfeil nach rechts. Linkt zum Service Langzeit-Garantie
    Ein dunkelblauer Banner zeigt „Kalibrierservice“ mit einem gelben Pfeil nach rechts.. Linkt zum Service Kalibrierservice
    Ein dunkelblauer Banner zeigt „3D Druckservice“ mit einem gelben Pfeil nach rechts.. Linkt zum 3D Druckservice
    Ein dunkelblauer Banner zeigt „Kabel- und Schlauchmeterware“ mit einem gelben Pfeil nach rechts. Linkt zum Service Kabel- und Schlauchmeterware
    Ein dunkelblauer Banner zeigt „Ratgeber“ mit einem gelben Pfeil nach rechts. Linkt zur Übersichtsseite der Ratgeber
    Ein dunkelblauer Banner zeigt „Technik mieten mit Topi“ mit einem gelben Pfeil nach rechts. Linkt zu Serviceseite Technik mieten mit Topi
    Ein dunkelblauer Banner zeigt „Mac Konfigurator“ mit einem gelben Pfeil nach rechts. Linkt zu Serviceseite Technik mieten mit Topi
    Ein dunkelblauer Banner zeigt „Conrad PRO“ mit einem gelben Pfeil nach rechts. Linkt zum Service Conrad PRO

    Alle Services

  • Angebote %

    Vorteile für Sie

    Ein dunkelblauer Banner zeigt „Conrad-Sale“ mit einem gelben Pfeil nach rechts.. Linkt zur Seite Conrad Sale
    Ein dunkelblauer Banner zeigt „Vorteilsakionen“ mit einem gelben Pfeil nach rechts. Linkt zu den Vorteilsaktionen
    Ein dunkelblauer Banner zeigt „Refurbished Produkte“ mit einem gelben Pfeil nach rechts. Linkt zur Kategorie Refurbished

    Unsere beliebtesten Marken

    Markenlogo von Phoenix Contact mit einer grauen Umrandung. Linkt zum Phoenix Contact Markenshop
    Markenlogo von FESTO mit einer grauen Umrandung. Linkt zum FESTO Markenshop
    Markenlogo von Schneider Electric mit einer grauen Umrandung. Linkt zum Schneider Electric Markenshop
    Markenlogo von UHU mit einer grauen Umrandung. Link zum UHU Markenshop
    Markenlogo von Fluke mit einer grauen Umrandung. Linkt zum Fluke Markenshop
    Markenlogo von Ledlenser mit einer grauen Umrandung. Linkt zum Ledlenser Markenshop

    Alle Marken anzeigen

  • Beschaffung

    Bestellung & Beschaffung

    Ein dunkelblauer Banner zeigt „Beschaffungsservice“ mit einem gelben Pfeil nach rechts.
    Ein dunkelblauer Banner zeigt „Angebotsservice“ mit einem gelben Pfeil nach rechts.
    Ein dunkelblauer Banner zeigt „Direktbestellung“ mit einem gelben Pfeil nach rechts.
    Ein dunkelblauer Banner zeigt „Termin- und Abrufaufträge“ mit einem gelben Pfeil nach rechts.
    Ein dunkelblauer Banner zeigt „E-procurement“ mit einem gelben Pfeil nach rechts.

    Alle Bestell- und Beschaffungsservices

    Themenwelten

    Ein dunkelblauer Banner zeigt „Industrie“ mit einem gelben Pfeil nach rechts.
    Ein dunkelblauer Banner zeigt „Infrastruktur“ mit einem gelben Pfeil nach rechts.
    Ein dunkelblauer Banner zeigt „Technische Dienstleistungen“ mit einem gelben Pfeil nach rechts.
  • Unsere Produkte
  • Mein Konto
  • Merkliste
  • Abmelden
Conrad
Start
Gebäudetechnik & Smart Living Elektroinstallation Verteilerschrank-Technik Überspannungsschutz

Phoenix Contact 2906816 TTC-6P-2X1-24DC-PT-I Überspannungsschutz-Ableiter 1 St.

EAN:
Hst.-Teile-Nr.:
Bestell-Nr.:
Grau-orangefarbener Überspannungsschutzgerät, Modell TTC-6P-2X1-24DC-P-P1 von Phoenix Contact, für elektrische Anlagen.
Grau-orangefarbener Überspannungsschutzgerät, Modell TTC-6P-2X1-24DC-P-P1 von Phoenix Contact, für elektrische Anlagen.
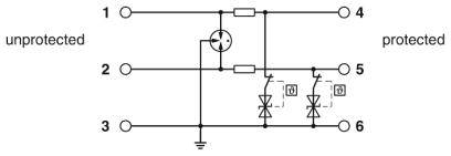
'Schaltplan einer Schutzeinrichtung: Eingänge 1-3 mit Transistor und Dioden zu Ausgängen 4-6 für Schutz von ungeschützt zu geschützt.'
1/2
Phoenix Contact
 

740 Stück
Verkauf und Versand:
Conrad Electronic AGB

Anzahl

Gesamt
105,03 €
-26 %
€
Sie haben bereits das beste Angebot für Ihre Menge.
Rechtliche Bedenken melden
Der Conrad Newsletter
Jetzt anmelden und exklusive Aktionen, aktuelle News und Angebote immer zuerst erhalten.
Jetzt anmelden
  • Filialen

  • Versandkostenfrei ab 119,00 € (netto 100,00 €)

  • Angebotsservice

  • Beschaffungsservice

Für Geschäftskunden

Für Geschäftskunden

  • Conrad Sourcing Platform

  • FAQ für den Geschäftskunden


  • E-Procurement

  • Open Catalog Interface (OCI)

  • Conrad Smart Procure (CSP)

Für Verkäufer

Für Verkäufer

  • Marktplatz - Verkaufen über Conrad

  • FAQ für den Marktplatz

  • Competence Center

    (Wissensdatenbank für Verkäufer)


Für Affiliate

Für Affiliate

  • Affiliate Partnerprogramm


Für Lieferanten

Für Lieferanten

  • Direktlieferant werden


Service

Service

  • Alle Services

  • Versandinformationen

  • Ratgeber

  • Rückgabe / Retoure

  • Kalibrierservice

  • topi-Technik mieten

  • Conrad PRO


Beschaffung

Beschaffung

  • Beschaffungsservice

  • Angebotsservice

  • Direktbestellung

  • Termin- und Abrufaufträge


Für Bildungseinrichtungen

Für Bildungseinrichtungen

  • Allgemeine Informationen

  • Conrad Academy


Conrad erleben

Conrad erleben

  • Filialen

  • Kataloge

  • Newsletter

  • Produktverzeichnis

  • Markenverzeichnis

  • Messen und Events


  • Aktuelle Vorteilsaktionen

  • Geschenkkarte

  • Innovation News

Häufig gesucht

Häufig gesucht

  • Smartphone

  • iPhone

  • Multimeter

  • Monitor

  • Laptop

  • Tablet


Über Conrad

Über Conrad

  • Unternehmen

  • Karriere

  • Presse

  • Nachhaltigkeit

  • Qualität

  • Hinweisgeberstelle

  • Information zur Barrierefreiheit

  • Vulnerability Disclosure Program


  •    

Zahlarten
  • Icon zu Zahlart Rechnung. Weiterleitung zur Serviceseite Zahlarten in Deutschland
  • Logo zur Zahlart Paypal. Weiterleitung zur Serviceseite Zahlarten in Deutschland
  • Icon zur Zahlart Kreditkarte. Weiterleitung zur Serviceseite Zahlarten in Deutschland
  • Icon zur Zahlart Bankeinzug. Weiterleitung zur Serviceseite Zahlarten in Deutschland
  • Icon zu Technik mieten mit topi. Weiterleitung zur Serviceseite Zahlarten in Deutschland
Alle Zahlarten
Social Media
Kontakt

FAQ - Hilfeseiten

 

Kontakt

FAQ - Hilfeseiten

 

Gewerblicher Shop: Anzeige von Nettopreisen exkl. MwSt. und Versandkosten

Alle Preisangaben sind inkl. MwSt. und zzgl. Versand.

1 Rabatte nur gültig auf sofort verfügbare Artikel (Lieferstatus grün): 20% Rabatt auf ausgewählte Artikel der Marke Reolink, 15% Rabatt auf ausgewählte Artikel der Marke Sygonix und 10% Rabatt auf Artikel der Marke Abus. Gültig bis 26.04.2026 auf conrad.de (ausgenommen Marketplace Bestellungen). Nicht mit anderen Vorteilscodes kombinierbar. 1x pro Geschäftskunde/Privatperson.  Es kann im Einzelfall eine Begrenzung der Absatzmenge erfolgen.

5 Gratiszugabe Einhell 4511627 Aktion SEALED PXC Plus A1 X-Change Werkzeug-Akku 18 V 4 Ah Li-Ion ab einem Mindestbestellwert von 149,99 € brutto (126,04 € netto): 1x pro Geschäftskunde bei Kauf mind. eines sofort verfügbaren Einhell Professional Aktionsprodukts. Gültig bis 14.06.2026 auf conrad.de, jedoch nur solange der Vorrat. Nicht gültig für Marketplace Bestellungen (Drittanbieter). Nicht mit anderen Vorteilscodes kombinierbar. Teilnahmebedingungen

  • Datenschutz

  • Sichere Zahlungsmittel

  • SSL-Verschlüsselung

  • Verified Visa & Mastercard Secure Code

  • BEVH/EHI-Siegel
  • eCommerce Europe Trustmark
  • Gelisteter idealo-Partner
  • BSFZ-Siegel - Forschung und Entwicklung im Rampenlicht
  • Offizieller Timing - & Elektronikpartner des IBU World Cup Biathlon
  • AGB

  • Impressum

  • Datenschutz

  • Widerruf

Produktvergleich
Merkliste